| Sign In | Join Free | My wneducation.com |
|
Brand Name : HIGH WOOD
Model Number : D38999/26WC35PCN
Certification : AS9001
Place of Origin : China
MOQ : 100pcs
Price : 10$-150$
Payment Terms : T/T, L/C, Western Union
Supply Ability : 100,000pcs per month
Delivery Time : 2-9weeks
Packaging Details : Standard export package
Type of connector : Shielding plug
Contact : Copper alloy with gold plated
Plating : Olive green cadmium plating
Type of contact : Crimp pin
Insulator : Thermo-set plastic
Endurance : 500 cycles
D38999/26WC35PCN
This series of round connectors, compliant with MIL-DTL-38999 III series requirements, adopt Triple-start threaded quick connection, with an anti-loose mechanism, featuring small size, light weight, high-density contacts, EMI/RFI shielding, removable crimp contacts, and anti oblique-mating;
This product has a fireproof shell, a variety of coatings, and vibration performance of high strength under high temperature, suitable for use in harsh sandstorm and damp circumstances.the material of shell is optional in aluminum-alloy, naval brass, stainless steel or composite.
How to order:
| D38999/ | 20 | W | B | 35 | P | N |
| Basic series | ||||||
| Type of connector 20 = Square flange receptacle 24 = Jam nut receptacle 26 = Shielding plug | ||||||
| Finish W = Olive green cadmium plating F = Electroless nickel plating T = Marine Bronze (copper aluminium alloy) K = Stainless steel passivated L = Black anodized J = Composite material + W M = Composite material + F | ||||||
| Shell size 09 (A), 11 (B), 13 (C), 15 (D), 17 (E), 19 (F), 21 (G), 23 (H), 25 (J) | ||||||
| Contact layout (See below) | ||||||
| Type of contact P = Crimp pin S = Crimp socket PL = Long PCB pin PC = Short PCB pin SL = Long PCB socket SC = Short PCB socket | ||||||
| Orientation N = Normal A, B, C, D = Alternative | ||||||
Product pictures:




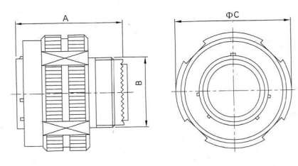
Shell size:
| Shell No. | A (max) | B Thread | C (max) |
| 09 | 31.00 | M12*1-6g | 21.80 |
| 11 | 31.00 | M15*1-6g | 25.00 |
| 13 | 31.00 | M18*1-6g | 29.40 |
| 15 | 31.00 | M22*1-6g | 32.40 |
| 17 | 31.00 | M25*1-6g | 35.60 |
| 19 | 31.00 | M28*1-6g | 38.50 |
| 21 | 31.00 | M31*1-6g | 41.70 |
| 23 | 31.00 | M34*1-6g | 44.90 |
| 25 | 31.00 | M37*1-6g | 48.00 |
Electrical:
Contact resistance and current rating:
| Contact ID | Diameter (mm) | Resistance (mΩ) | Current (A) |
| 22D# | Φ 0.76 | ≤ 12.0 | 5.0 |
| 20# | Φ 1.00 | ≤ 5.0 | 7.5 |
| 16# | Φ 1.60 | ≤ 2.5 | 13.0 |
| 12# | Φ 2.40 | ≤ 1.5 | 23.0 |
| 10# | Φ 3.15 | ≤ 1.0 | 40.0 |
EMI shielding:
At 1GHz: minimum attenuation 85dB (F and W) At 10GHz: minimum attenuation 65dB (F)
At 10GHz: minimum attenuation 50dB (W)
Withstanding voltage (V):
| Service rating | M | I | II | N |
| Sea level | 1300 | 1800 | 2300 | 1000 |
| 21000m | 800 | 1000 | 1000 | 600 |
Insulation resistance:
Normal ≥ 5000 MΩ, damp heat ≥ 100 MΩ Electrical continuity between shells:
W class ≤ 2.5 mΩ, F class ≤ 1.0 mΩ, K class ≤ 5.0 mΩ


![]()
|
|
MIL-DTL-38999 Series Ⅰ,Ⅱ,And Ⅲ Connectors, D38999/26WC35PCN. D38999 Series Ⅲ Images |